Miniature du produit Guide d'installation

Guide d'installation : Elkay LKAV3041NK robinet

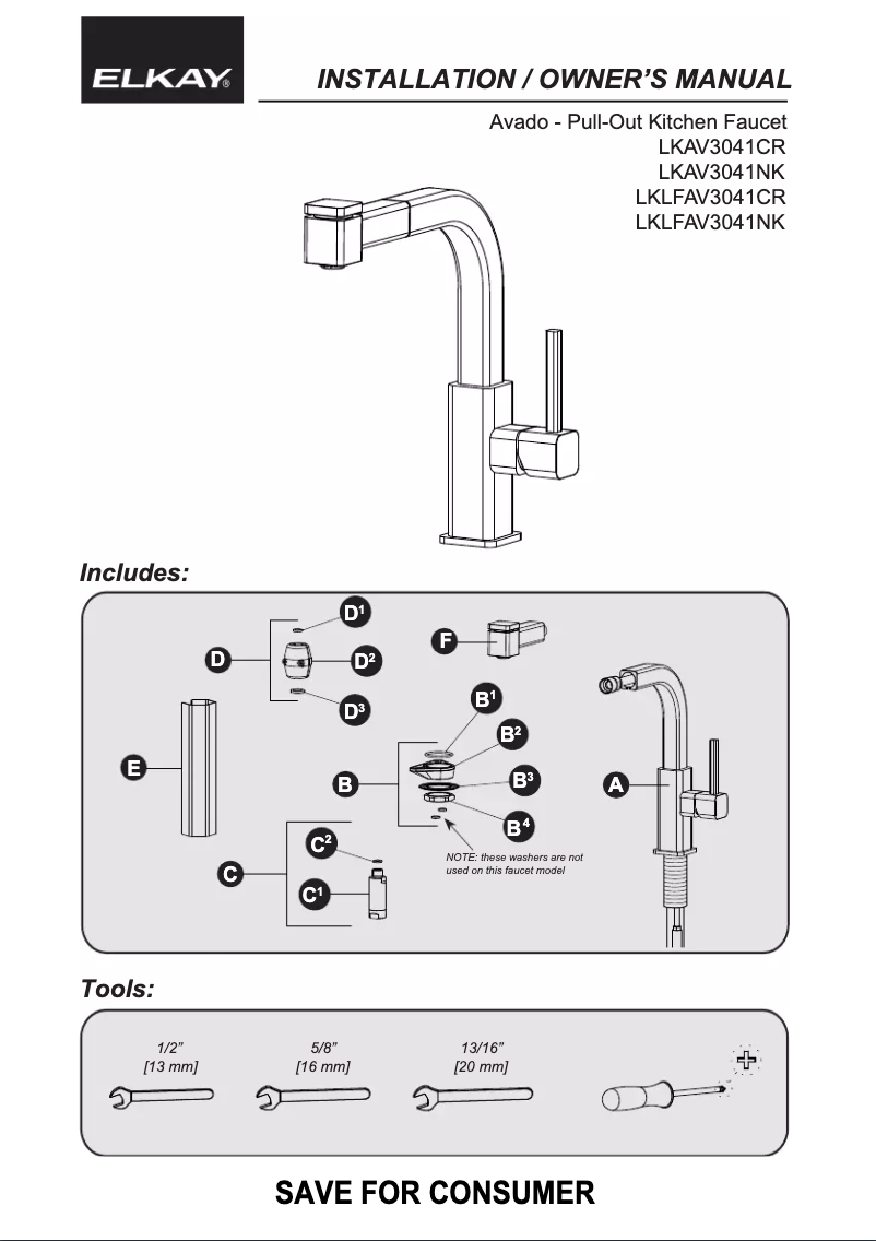
Elkay Electroménager Robinet

De quoi avez-vous besoin ?

En validant, je déclare accepter sans réserve les Conditions Générales et la Politique de confidentialité de wenony.ch. En validant les informations, je confirme commander un contrat WeNony Premium au tarif de 0,90 CHF le premier mois, puis au tarif de 49,00 CHF par mois avec un engagement de 12 mois. Je confirme être habilité à engager l’entreprise dans ces conditions.

Présentation de la notice : Guide d'installation Robinet Elkay LKAV3041NK

Recherchez parmi les 8 pages de la notice : Guide d'installation Robinet Elkay LKAV3041NK pour trouver les informations qu'il vous manque. Vous ne trouvez pas les réponses à vos questions ? Réservez une vidéo assistance en moins de 2 minutes.

Caractéristiques

Marque Elkay
Modèle LKAV3041NK
Catégorie Electroménager
Type de produit Robinet
Nombre de pages 8 Pages
Type de fichier
Page / 8
Page n°1 - Guide d'installation Elkay LKAV3041NK