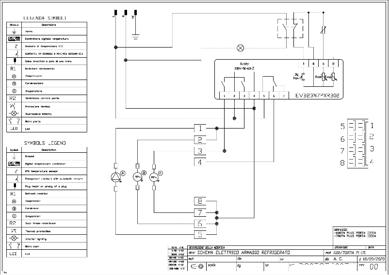
Présentation de la notice : Schéma de câblage Réfrigérateur MBM A70TNPY
Recherchez parmi les 1 page de la notice : Schéma de câblage Réfrigérateur MBM A70TNPY pour trouver les informations qu'il vous manque. Vous ne trouvez pas les réponses à vos questions ? Réservez une vidéo assistance en moins de 2 minutes.
Caractéristiques
Marque | MBM |
Modèle | A70TNPY |
Catégorie | Appareils ménagers |
Type de produit | Réfrigérateur |
Nombre de pages | 1 Page |
Type de fichier |
