Miniature du produit Manuel de l'utilisateur

Manuel de l'utilisateur : Minn Kota Endura Max 40 non catégorisé

Minn Kota Autre Non catégorisé

De quoi avez-vous besoin ?

En validant, je déclare accepter sans réserve les Conditions Générales et la Politique de confidentialité de wenony.ch. En validant les informations, je confirme commander un contrat WeNony Premium au tarif de 0,90 CHF le premier mois, puis au tarif de 49,00 CHF par mois avec un engagement de 12 mois. Je confirme être habilité à engager l’entreprise dans ces conditions.

Présentation de la notice : Manuel utilisateur Non catégorisé Minn Kota Endura Max 40

Recherchez parmi les 2 pages de la notice : Manuel utilisateur Non catégorisé Minn Kota Endura Max 40 pour trouver les informations qu'il vous manque. Vous ne trouvez pas les réponses à vos questions ? Réservez une vidéo assistance en moins de 2 minutes.

Caractéristiques

Marque Minn Kota
Modèle Endura Max 40
Catégorie Autre
Type de produit Non catégorisé
Nombre de pages 2 Pages
Type de fichier
Page / 2
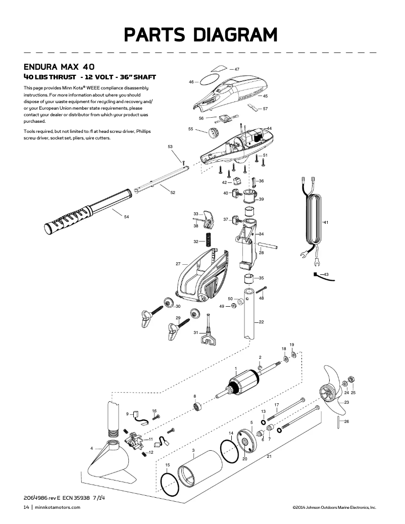
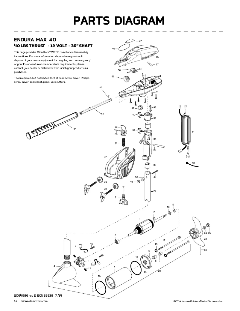
Page n°1 - Manuel utilisateur Minn Kota Endura Max 40