Miniature du produit Manuel de l'utilisateur

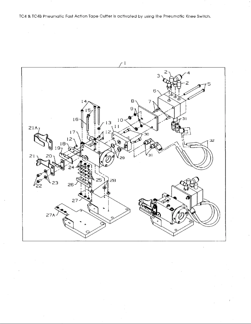
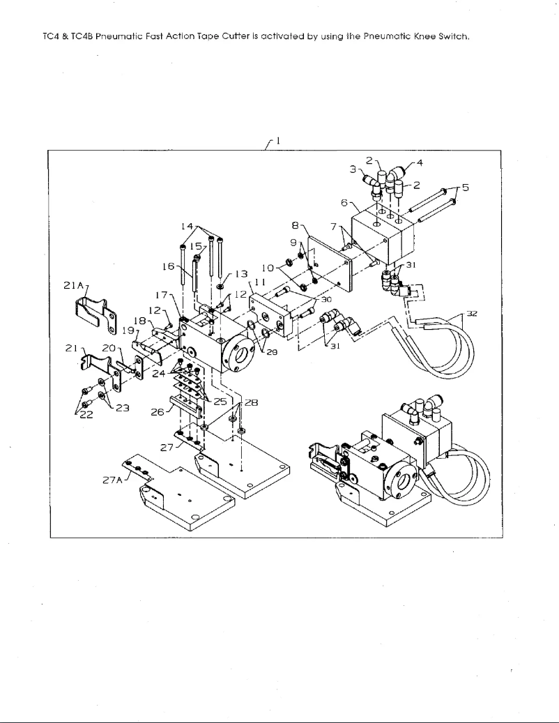
Manuel de l'utilisateur : Union Special FS300 TC machine à coudre

Union Special Electroménager Machine à coudre

Recherchez parmi les 13 pages de la notice : Manuel utilisateur Machine à coudre Union Special FS300 TC pour trouver les informations qu'il vous manque. Vous ne trouvez pas les réponses à vos questions ? Réservez une vidéo assistance en moins de 2 minutes.

Caractéristiques

Marque Union Special
Modèle FS300 TC
Catégorie Electroménager
Type de produit Machine à coudre
Nombre de pages 13 Pages
Type de fichier
Page / 13
Page 1 de la notice Manuel utilisateur Union Special FS300 TC