Miniature du produit AD21R de la marque MBM
Logo de la marque MBM

Réfrigérateur MBM AD21R

De quoi avez-vous besoin ?

En validant, je déclare accepter sans réserve les Conditions Générales et la Politique de confidentialité de wenony.ch. En validant les informations, je confirme commander un contrat WeNony Premium au tarif de 0,90 CHF le premier mois, puis au tarif de 49,00 CHF par mois avec un engagement de 12 mois. Je confirme être habilité à engager l’entreprise dans ces conditions.

Présentation du produit Réfrigérateur MBM AD21R

Le réfrigérateur MBM AD21R est un appareil ménager de la marque reconnue MBM, célèbre pour sa qualité et son innovation dans le domaine des électroménagers. Ce modèle, le AD21R, est conçu pour offrir des performances optimales et une expérience utilisateur améliorée.

Avec un design moderne et fonctionnel, le MBM AD21R combine à la fois esthétique et praticité. Il est équipé de caractéristiques techniques avancées qui garantissent une conservation efficace des aliments, tout en optimisant la consommation d'énergie.

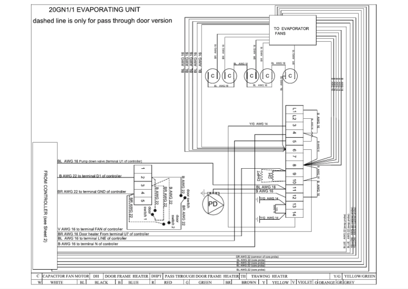
Pour faciliter son utilisation, ce réfrigérateur est accompagné de deux documents importants : un manuel de l'utilisateur et un schéma de câblage, permettant à l'utilisateur de bénéficier d'une installation et d'une utilisation sans tracas.

En résumé, le réfrigérateur MBM AD21R est un choix idéal pour ceux qui recherchent un appareil fiable et performant pour leur cuisine.

7 10

Note de la rédaction

Le réfrigérateur MBM AD21R est un choix solide pour ceux qui recherchent des performances de réfrigération efficaces. Grâce à son design fonctionnel, il s'intègre facilement dans la plupart des cuisines, offrant à la fois esthétisme et praticité. Le modèle est accompagné d'un manuel de l'utilisateur détaillé et d'un schéma de câblage, ce qui facilite son installation et son utilisation au quotidien. Cependant, certains inconvénients doivent être pris en compte. Le MBM AD21R peut être plus bruyant que d'autres modèles, ce qui pourrait déranger certaines personnes dans leur environnement domestique. De plus, sa consommation énergétique est jugée élevée, ce qui peut entraîner des factures d'électricité plus conséquentes. L'espace de rangement à l'intérieur peut également ne pas convenir aux familles nombreuses, rendant l'organisation des aliments plus complexe. Enfin, le service après-vente et la disponibilité des pièces de rechange peuvent être limités, ce qui pourrait poser problème en cas de besoin de réparations. En résumé, le MBM AD21R est un réfrigérateur performant et facile à utiliser, mais il est important de considérer ses limites en termes de bruit, de consommation d'énergie et de capacité de rangement avant de faire un choix.

Détails de la note

Expérience utilisateur

Le réfrigérateur MBM AD21R est accompagné d'un manuel de l'utilisateur détaillé, facilitant son installation et son utilisation au quotidien.

Performance

Ce modèle garantit des performances de réfrigération efficaces, permettant de garder les aliments frais plus longtemps.

Design

Le design fonctionnel s'intègre harmonieusement dans une cuisine, mais peut ne pas convenir à tous les styles.

Rapport qualité/prix

La consommation énergétique est jugée élevée par rapport à d'autres modèles, ce qui peut augmenter les factures d'électricité.

Support

Le service après-vente et la disponibilité des pièces de rechange peuvent être limités, ce qui pourrait poser des problèmes en cas de réparations.

Utilisabilité

La documentation complète, incluant un schéma de câblage, simplifie la mise en service et les réparations éventuelles.

Robustesse

Bien que reconnu pour sa qualité, le bruit du réfrigérateur peut perturber la tranquillité à la maison.


Avantages

Réfrigération efficace pour aliments frais.

Marque réputée pour innovation et fiabilité.

Manuel utilisateur pour une utilisation simple.

Schéma de câblage pour installation facile.

Design esthétique et pratique pour la cuisine.

Inconvénients

Réfrigérateur bruyant pour un usage domestique.

Consommation énergétique supérieure à d'autres modèles.

Design peu adapté à certains styles de cuisine.

Espace de rangement insuffisant pour grandes familles.

Service après-vente et pièces de rechange limités.

Spécifications techniques AD21R

Généralités

Questions fréquentes

Comment puis-je prévenir l'accumulation d'eau sur les plaques en verre de mon réfrigérateur ?
Plusieurs facteurs peuvent en être la cause. Il est recommandé de vérifier les éléments suivants : - L'orifice de drainage est-il propre ? - La porte du réfrigérateur se ferme-t-elle correctement ? - Le réfrigérateur est-il trop chargé, ce qui pourrait entraver la circulation de l'air ? - La température est-elle réglée à moins de 5 degrés ?
Que puis-je faire si mon réfrigérateur dégage une mauvaise odeur ?
Une solution fréquemment utilisée pour éliminer les odeurs désagréables dans le réfrigérateur consiste à verser du vinaigre à l'arrière de l'appareil, dans le drain, et à placer temporairement une tasse de vinaigre à l'intérieur du réfrigérateur.
Quelle distance dois-je laisser autour de mon réfrigérateur ?
Assurez-vous de laisser au moins 2,5 centimètres d'espace autour de votre réfrigérateur pour garantir une bonne ventilation.
Qu'est-ce que le R-410A ?
Le R-410A est un type de réfrigérant utilisé dans les appareils capables de refroidir jusqu'à zéro degré Celsius.
Le manuel du MBM AD21R est-il proposé en français ?
Nous regrettons de vous informer que le manuel du MBM AD21R n'est pas disponible en français. Il existe uniquement en anglais.

Produits similaires


Découvrez la fiche technique du produit S3C172FP de la marque Smeg et ses notices...
Notices disponibles :
Découvrez la fiche technique du produit A5A20 de la marque MBM et ses notices...
Notices disponibles :
Découvrez la fiche technique du produit A140TN-TN de la marque MBM et ses notices...
Notices disponibles :
Découvrez la fiche technique du produit A13A80 de la marque MBM et ses notices...
Notices disponibles :
Découvrez la fiche technique du produit U3C080P de la marque Smeg et ses notices...
Notices disponibles :
Découvrez la fiche technique du produit KF 2320-00 de la marque Gram et ses notices...
Notices disponibles :
Découvrez la fiche technique du produit A5A12 de la marque MBM et ses notices...
Notices disponibles :
Découvrez la fiche technique du produit SMB 70 A1 de la marque SilverCrest et ses notices...
Notices disponibles :
Découvrez la fiche technique du produit BRB2G0135WW de la marque Samsung et ses notices...
Notices disponibles :
Découvrez la fiche technique du produit A10A45 de la marque MBM et ses notices...
Notices disponibles :
Découvrez la fiche technique du produit SMB 140 A1 de la marque SilverCrest et ses notices...
Notices disponibles :
Découvrez la fiche technique du produit A13A60 de la marque MBM et ses notices...
Notices disponibles :

Présentation des spécificités du produit AD21R de la marque MBM

Généralités

Le réfrigérateur MBM AD21R, fabriqué par la marque réputée MBM, se distingue par son engagement envers la qualité et l'innovation dans le secteur des appareils électroménagers. Ce modèle est conçu pour offrir des performances de réfrigération efficaces, garantissant que vos aliments restent frais pendant une période prolongée.

Avantages

Le MBM AD21R se caractérise par plusieurs atouts :

  • Performance optimale : Ce réfrigérateur est conçu pour maintenir une température idéale, préservant ainsi la fraîcheur de vos denrées alimentaires.
  • Qualité reconnue : En choisissant un produit de la marque MBM, vous bénéficiez d'une réputation d'innovation et de fiabilité.
  • Facilité d'utilisation : Le réfrigérateur est livré avec un manuel détaillé, rendant son installation et son utilisation quotidienne simples et intuitives.
  • Documentation complète : Un schéma de câblage est inclus, facilitant la mise en service et les réparations éventuelles.
  • Design fonctionnel : Son esthétique moderne permet au MBM AD21R de s’intégrer harmonieusement dans différents styles de cuisine tout en répondant à des besoins pratiques.

Inconvénients

Cependant, certains inconvénients sont à prendre en compte :

  • Niveau sonore : Ce modèle peut être plus bruyant que certains concurrents, ce qui pourrait perturber le calme de votre foyer.
  • Consommation énergétique : Sa consommation d'énergie peut être jugée élevée, entraînant potentiellement des factures d'électricité plus importantes.
  • Capacité de rangement : L'espace intérieur pourrait être insuffisant pour les familles nombreuses, compliquant l'organisation des aliments.
  • Service après-vente : La disponibilité des pièces de rechange et le service après-vente peuvent être limités, posant un problème en cas de besoin de réparations.